Produkt suchen
Produktkategorien
Produkt-Tags
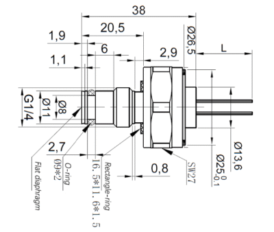
GP-2211 Flushmembran Drucksensor
Messbereich bis 35 MPa
Lebensmitteltaugliche Ölfüllung
316L Edelstahlgehäuse
Überlastschutz durch Flachmembran
G1/4 Anschluss mit planem Membran
Nur englische Version
Der GP-2211 Flushmembran-Drucksensor kombiniert ein hochwertiges MEMS-Sensorelement mit lebensmitteltauglicher Ölfüllung und einer Edelstahl-Isoliermembran. Diese Konstruktion trennt das Prozessmedium zuverlässig vom Sensorkern und gewährleistet hohe Messgenauigkeit und Langzeitstabilität.
Jeder Sensor wird einer strengen Alterung, Selektion, Temperaturkompensation und Ausgangskalibrierung unterzogen, um eine konstante Leistung im gesamten Messbereich sicherzustellen.
Dank der reinen Flushmembran und des rückseitigen G1/4-Gewindeanschlusses entstehen keine Toträume, in denen sich Medien ablagern können. Dies erleichtert Reinigung und Wartung erheblich und macht den Sensor ideal für Anwendungen in der Lebensmittel-, Pharma- und Hygienetechnik sowie bei viskosen Medien.



